Válvulas niveladoras N2
Válvulas hidráulicas para o controle preciso da elevação da lança e nivelamento automático da caçamba da minicarregadeira
N2 Válvulas niveladoras
Válvulas hidráulicas para o controle preciso da elevação da lança e nivelamento automático da caçamba da minicarregadeira
- Design otimizado e compacto para nivelamento estável e confiável durante a operação
- Testado em fábrica com mais de um milhão de ciclos de durabilidade e validado de acordo com altos padrões de desempenho
Aplicações
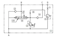
A válvula de nivelamento é comumente usada em minicarregadeiras, proporcionando controle preciso da elevação da lança e nivelamento automático da caçamba, melhorando a precisão do manuseio e a eficiência operacional.
Especificações
| Pressão máxima de operação | 210bar |
| Fluxo nominal | 60L/min |
| Faixa de temperatura do fluido | -20℃~80℃ |
| Faixa de temperatura ambiente | -20℃~80℃ |
| Tratamento de superfície | Niquelado |
| Faixa de viscosidade do óleo | ISO 20~400mm²/s |


















