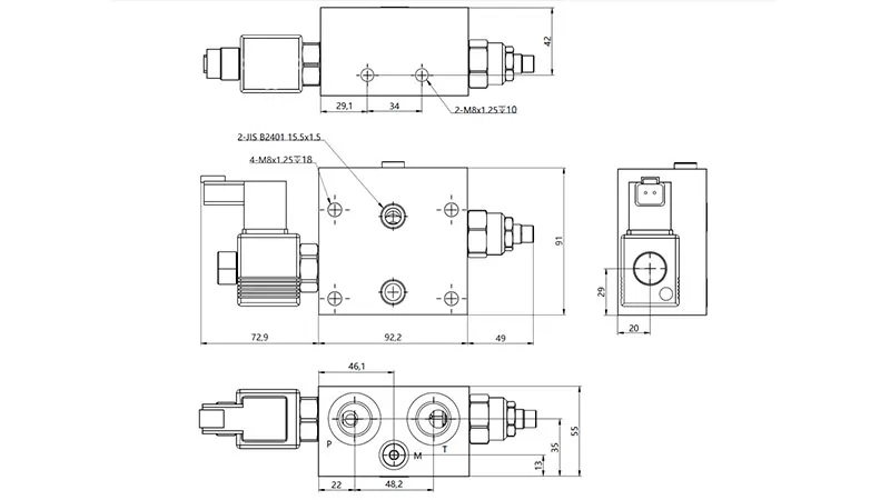
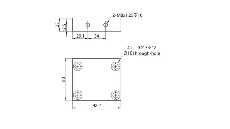
Válvula direcional seccional SMWV-10
Válvula de controle hidráulica multivias para o controle do fluxo de fluidos em várias máquinas industriais e agrícolas
SMWV-10 Válvula direcional seccional
Válvula de controle hidráulica multivias para o controle do fluxo de fluidos em várias máquinas industriais e agrícolas
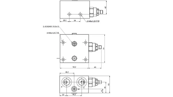
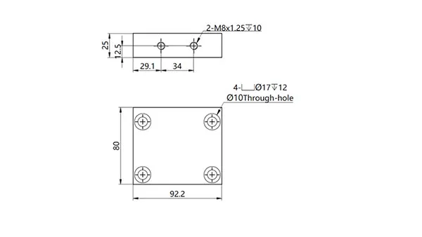
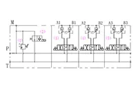
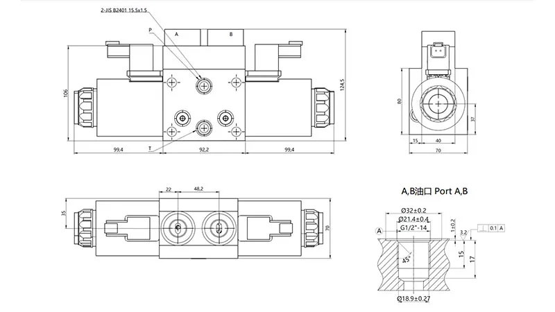
A válvula de controle direcional seccional SMWV-010 foi projetada para sistemas hidráulicos de alta capacidade, proporcionando controle preciso do fluxo de fluido para máquinas maiores e mais potentes. Assim como as outras válvulas da série SMWV, ela utiliza um mecanismo de bobina eletromagnética para gerenciamento preciso do fluxo, mas foi projetada especificamente para lidar com taxas de fluxo maiores e cargas operacionais mais pesadas. O bloco de controle possui um solenóide CC do tipo úmido, totalmente vedado e isolado para permitir o movimento suave da armadura no óleo. Esse design reduz o desgaste mecânico, suaviza o impacto hidráulico e melhora a dissipação de calor, resultando em um desempenho de comutação altamente confiável e uma vida útil prolongada. Os canais internos de fluido fundidos minimizam a perda de pressão e maximizam a eficiência geral, suportando operações hidráulicas de alta demanda.
- Estrutura modular e compacta que permite combinações de vários módulos para controle hidráulico escalável
- Design de bloqueio hidráulico integrado, simplificando os circuitos do sistema e garantindo uma operação segura e confiável
- Baixa perda de pressão e alta eficiência, reduzindo o consumo geral de energia de máquinas pesadas
| Pressão nominal | 315bar |
| Fluxo nominal | 80L/min |
| Faixa de temperatura do fluido | -40℃~120℃ |
| Padrão de contaminação | ISO 4406 CLASS 20/18/15 |
| Tratamento de superfície | Niquelado |
| Faixa de viscosidade do óleo | ISO 20~400mm²/s |
A válvula de controle direcional seccional é comumente usada em máquinas de colheita, plataformas de trabalho aéreo e equipamentos de saneamento que exigem maior fluxo hidráulico:
- Máquinas de colheita (por exemplo, colheitadeiras): gerencia sincronizadamente a altura da mesa, a velocidade de rotação do tambor e os mecanismos de limpeza, adaptando-se às mudanças de carga no campo
- Plataformas de trabalho aéreas (por exemplo, elevadores de lança de vários estágios): fornece controle preciso da extensão da lança de várias seções, nivelamento da plataforma e rotação para operações elevadas estáveis e seguras
- Veículos de saneamento (por exemplo, compactadores de lixo): coordena a elevação da lixeira, o movimento da placa compactadora e os controles do tanque de águas residuais para uma operação suave e confiável
























