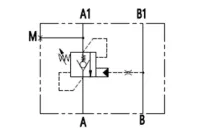
MCBS Válvula de contrabalanço (simples)
Válvula hidráulica que impede o movimento indesejado de uma carga, bloqueando o fluxo de fluido em direção contrária à operação, até que a pressão necessária seja aplicada.
MCBS Válvula de contrabalanço (simples)
Válvula hidráulica que impede o movimento indesejado de uma carga, bloqueando o fluxo de fluido em direção contrária à operação, até que a pressão necessária seja aplicada.
- Design modular com estrutura compacta, proporcionando uma operação segura e confiável
- Minimiza o choque hidráulico durante a abertura e o fechamento, mantendo um controle de pressão estável
- Instalação flexível para acomodar uma ampla gama de máquinas e configurações de sistema
Opções de modelos
| Modelo | Pressão | Fluxo |
| Válvula de contrabalanço (simples) MCBS-08 | 350bar | 40L/min |
| Válvula de contrabalanço (simples) MCBS-10 | 350bar | 70L/min |
| Válvula de contrabalanço (simples) MCBS-12 | 350bar | 110L/min |
Especificações
| Pressão nominal | 350bar |
| Pressão de vazão | 40L/min 70L/min 110L/min |
| Faixa de temperatura do fluido | -30℃~100℃ |
| Faixa de temperatura ambiente | -20℃~80℃ |
| Material do corpo da válvula | Ferro fundido de alta resistência (opcional: liga de alumínio, aço carbono) |
| Faixa de viscosidade do óleo | ISO 20~400mm²/s |
Curva de performance
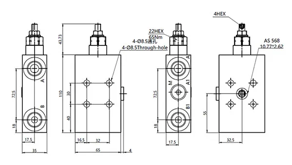
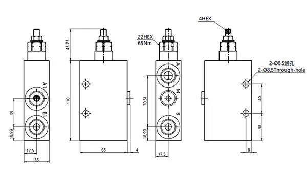
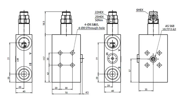
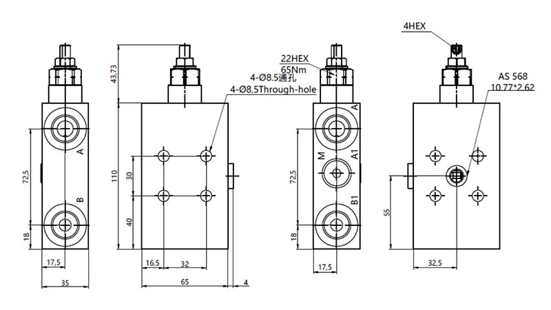
Desenhos das dimensões da instalação
Aplicações
Nossa válvula de contrapeso única, projetada para manter a estabilidade da carga e garantir um movimento suave do atuador, é amplamente utilizada em:
- Niveladoras: garante um movimento estável e um posicionamento seguro da lâmina da lâmina niveladora durante as operações de nivelamento.
- Manipuladores telescópicos: evita a instabilidade ou a parada repentina das pernas estabilizadoras e extensões telescópicas, garantindo um movimento seguro e estável.
- Plataformas de trabalho aéreo: minimiza o movimento indesejado da lança, evitando mudanças erráticas durante a elevação, telescopagem ou rotação para aumentar a segurança do operador.
- Caminhões com bomba de lança: mantém movimentos suaves e controlados da lança durante as operações de bombeamento, evitando ações repentinas ou instáveis.


























