MPCA Válvula de retenção pilotada simples (210 bar)
Válvula hidráulica para bloquear os cilindros hidráulicos e impedir o movimento indesejado do atuador
MPCA Válvula de retenção pilotada simples (210 bar)
Válvula hidráulica para bloquear os cilindros hidráulicos e impedir o movimento indesejado do atuador
- Design modular e compacto projetado para uma retenção de carga segura e confiável em sistemas hidráulicos
- Disponível em várias opções de capacidade de fluxo, adequado para diversos requisitos de instalação em várias aplicações de maquinário
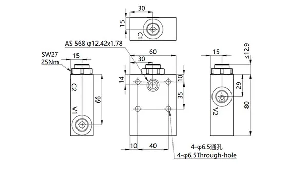
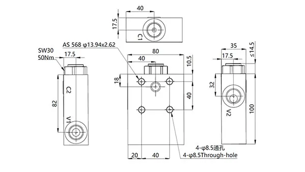
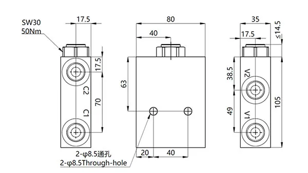
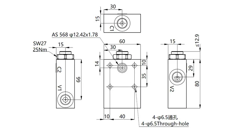
Opções de modelo
| Modelo | Pressão | Fluxo |
| Válvula de retenção pilotada simples MPCA-08 | 210bar | 30L/min |
| Válvula de retenção pilotada simples MPCA-10 | 210bar | 60L/min |
| Válvula de retenção pilotada simples MPCA-12 | 210bar | 100L/min |
Especificações
| Pressão nominal | 210bar |
| Fluxo nominal | 30L/min 60L/min 100L/min |
| Faixa de temperatura do fluido | -30℃~100℃ |
| Faixa de temperatura ambiente | -20℃~80℃ |
| Material do corpo da válvula | Liga de alumínio |
| Faixa de viscosidade do óleo | ISO 20~400mm²/s |
Curva de performance
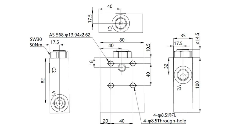
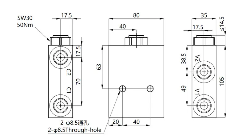
Desenhos das dimensões de instalação
Aplicações
A válvula de retenção pilotada simples (210 bar) é utilizada numa vasta gama de equipamentos em máquinas de construção e aplicações de manuseamento de materiais, garantindo o bloqueio seguro do cilindro e mantendo o movimento do atuador estável:
- Escavadoras: Instalada em lâminas de escavadoras, braços de fixação e outras secções críticas para bloquear as posições do cilindro e mover-se de forma estável, garantindo a segurança e estabilidade operacionais.
- Máquinas de terraplenagem: Usada em niveladoras, retroescavadeiras e vários equipamentos de construção de estradas para evitar movimentos indesejados dos atuadores hidráulicos causados por forças externas ou perda de pressão do sistema.
- Equipamentos de manuseio de materiais: Ideal para manipuladores telescópicos, plataformas de trabalho aéreas e veículos de transporte AGV, proporcionando travamento confiável do cilindro e movimento controlado para manter a segurança do equipamento durante as operações de elevação e manuseio.


























