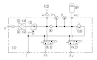
MPSB-SE Bloco manifold com válvula de retenção pilotada
Bloco hidráulico para fornecimento óleo hidráulico de baixa pressão ao sistema de controle piloto de escavadeira compacta
 
                    MPSB-SE Bloco manifold com válvula de retenção pilotada
Bloco hidráulico para fornecimento óleo hidráulico de baixa pressão ao sistema de controle piloto de escavadeira compacta
- Design compacto para fácil instalação e eficiência de espaço
- Oferece controle preciso da pressão e capacidade de manutenção da pressão para circuitos hidráulicos piloto
- A estrutura otimizada minimiza o ruído operacional, garantindo um controle mais suave e silencioso da máquina
Aplicações
                  Projetado para miniescavadeiras, este bloco manifold de válvulas de retenção pilotada fornece óleo hidráulico de baixa pressão estável, limpo e controlável ao sistema de controle piloto. Ele garante manuseio responsivo, operação segura e maior eficiência energética, permitindo que os operadores mantenham um controle preciso em ambientes de trabalho confinados ou delicados.
Especificações
                  | Pressão nominal | 350bar | 
| Fluxo nominal | 15L/min | 
| Voltagem | DC14V±15% | 
| Faixa de temperatura do fluido | -20℃~80℃ | 
| Faixa de temperatura ambiente | -20℃~80℃ | 
| Faixa de viscosidade do óleo | ISO 20~400mm²/s | 

 
                       
                      

















