Bloco de válvulas de engate rápido K02
Bloco hidráulico para trocas rápidas e seguras de acessórios hidráulicos em escavadoras e carregadoras
 
                    K02 Bloco de válvulas de engate rápido
Bloco hidráulico para trocas rápidas e seguras de acessórios hidráulicos em escavadoras e carregadoras
- O design otimizado minimiza o ruído do circuito piloto para uma operação mais suave
- Testado e validado na fábrica com mais de um milhão de ciclos de durabilidade para garantir confiabilidade duradoura
Aplicações
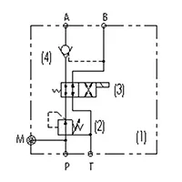
                  Amplamente utilizado em máquinas de construção, como escavadeiras e carregadeiras, o bloco de válvulas de engate rápido permite a comutação do circuito hidráulico para acessórios. Ele é projetado com recursos de compensação e manutenção de pressão, garantindo uma operação segura, estável e eficiente durante trocas frequentes de acessórios.
Especificações
                  | Pressão máxima de operação | 380bar | 
| Fluxo nominal | 10L/min | 
| Voltagem | DC14V±15% | 
| Faixa de temperatura do fluido | -20℃~80℃ | 
| Faixa de temperatura ambiente | --20℃~80℃ | 
| Tratamento da superfície | Niquelado | 
| Faixa de viscosidade do óleo | ISO 20~400mm²/s | 

 
                       
                      


















