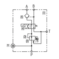
Bloco de válvulas de engate rápido K03
Bloco hidráulico para a comutação do circuito hidráulico para acessórios
K03 Bloco de válvulas de engate rápido
Bloco hidráulico para a comutação do circuito hidráulico para acessórios
- O design otimizado minimiza o ruído do circuito piloto, garantindo uma operação mais silenciosa e suave
- O controle proporcional de alta precisão reduz as perdas de estrangulamento, melhorando a eficiência hidráulica e o desempenho geral
Aplicações
Amplamente utilizado em máquinas de construção, como escavadeiras e carregadeiras, o bloco de válvulas de engate rápido permite a comutação do circuito hidráulico para acessórios. Ele é projetado com recursos de compensação e manutenção de pressão, garantindo uma operação segura, estável e eficiente durante trocas frequentes de acessórios.
Especificações
| Pressão de operação máxima | 380bar |
| Fluxo nominal | 10L/min |
| Voltagem | DC14V±15% |
| Faixa de temperatura do fluido | -20℃~80℃ |
| Faixa de temperatura ambiente | --20℃~80℃ |
| Tratamento da superfífice | Niquelado |
| Faixa de viscosidade do óleo | ISO 20~400mm²/s |




















