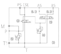
MCM-E Válvula direcional elétrica para elevadores tipo tesoura
Blocos de válvulas hidráulicas para controle suave da elevação, descida, direção de deslocamento e velocidade de elevadores tipo tesoura
MCM-E Válvula direcional elétrica para elevadores tipo tesoura
Blocos de válvulas hidráulicas para controle suave da elevação, descida, direção de deslocamento e velocidade de elevadores tipo tesoura
- Design modular e compacto para um controle hidráulico seguro e confiável
- Design patenteado com válvula de contrapeso de deslocamento integrada para melhorar a estabilidade geral da plataforma
- A construção de alta eficiência reduz o consumo de energia, prolongando o tempo de operação do equipamento
Aplicações
Projetada para elevadores tipo tesoura, esta válvula de controle hidráulico garante um levantamento e abaixamento suaves, juntamente com um controle de direção preciso, aumentando a segurança, a estabilidade e a eficiência durante operações em altura.
Especificações
| Pressão máxima de operação | 250bar |
| Fluxo nominal | 20L/min |
| Voltagem | DC20V±10% |
| Faixa de temperatura do fluido | -30℃~110℃ |
| Faixa de temperatura ambiente | -30℃~110℃ |
| Faixa de viscosidade do óleo | ISO 20~400mm²/s |





















