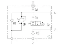
CCM-2 Bloco de válvula de comando (descida de cilindro)
Blocos de válvulas hidráulicas para controle suave da elevação e descida da plataforma do elevador tipo tesoura
CCM-2 Bloco de válvula de comando (descida de cilindro)
Blocos de válvulas hidráulicas para controle suave da elevação e descida da plataforma do elevador tipo tesoura
- Design modular e compacto para um controle hidráulico seguro e confiável
- Design patenteado com válvula de contrapeso integrada para melhorar a estabilidade geral da plataforma
- A construção de alta eficiência reduz o consumo de energia, prolongando o tempo de operação do equipamento.
Aplicações
Projetado para elevadores tipo tesoura, este bloco de válvulas fornece controle preciso e estável do cilindro inferior durante as ações de elevação e descida. Ele incorpora a funcionalidade de manutenção da pressão e velocidade de descida ajustável, garantindo um movimento seguro e confiável e contribuindo para a eficiência geral e a segurança operacional da plataforma elevatória tipo tesoura.
Especificações
| Pressão máxima de operação | 240bar |
| Fluxo nominal | 20L/min |
| Voltage, | DC24V±10% |
| Faixa de temperatura do fluido | -20℃~80℃ |
| Faixa de temperatura ambiente | -20℃~80℃ |
| Faixa de viscosidade do óleo | ISO 20~400mm²/s |





















