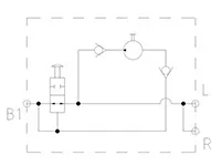
ESL Válvula de liberação de freio
Blocos de válvulas hidráulicas para controle suave do elevador tipo tesoura
ESL Válvula de liberação de freio
Blocos de válvulas hidráulicas para controle suave do elevador tipo tesoura
- Design modular e compacto para um controle hidráulico seguro e confiável
- Design patenteado com válvula de contrapeso integrada para melhorar a estabilidade geral da plataforma
- A construção de alta eficiência reduz o consumo de energia, prolongando o tempo de operação do equipamento
Aplicações
Utilizado em elevadores hidráulicas tipo tesoura, estas válvulas proporcionam um controle suave e confiável da liberação do freio de emergência durante o deslocamento. Construído para oferecer durabilidade e segurança, ele garante uma operação estável e contribui para a eficiência geral do funcionamento do sistema de elevação.
Especificações
| Pressão | 250bar |
| Taxa de fluxo | 2mL/curso |
| Faixa de temperatura do fluido | -20℃~100℃ |
| Faixa de temperatura ambiente | -20℃~80℃ |
| Faixa de viscosidade do óleo | ISO 20~400mm²/s |
| Vazamento interno | 3 ~ 5 gotas/min |
| Peso | 0.67kg |





















