EPV Válvula de controle (flangeada)
Válvula hidráulica para fornecer controle preciso e seguro da carga para atuadores hidráulicos
EPV Válvula de controle (flangeada)
Válvula hidráulica para fornecer controle preciso e seguro da carga para atuadores hidráulicos
- Design modular com estrutura compacta, proporcionando controle de carga seguro e confiável
- Minimiza o choque hidráulico durante a abertura e o fechamento, garantindo um controle de pressão consistente
- Várias opções de capacidade de fluxo, adaptáveis a diferentes requisitos de instalação e tipos de equipamentos
- Em conformidade com as normas ISO 8643, garantindo segurança e compatibilidade em aplicações de escavadeiras
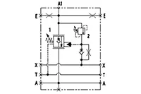
A válvula de controle flangeada foi projetada para fornecer controle de carga preciso e seguro para atuadores hidráulicos. Na direção do fluxo ascendente (A - A1), o óleo passa livremente através de uma válvula de retenção integrada para o cilindro hidráulico. No fluxo reverso (A1 - A), a seção de retenção de carga da válvula bloqueia ou restringe o movimento do fluido, com o carretel proporcionando uma regulação precisa do fluxo durante a abertura. A válvula permanece normalmente fechada e é controlada remotamente pela pressão piloto, garantindo uma retenção de carga estável, independentemente do peso da carga.
Uma válvula de alívio interna detecta continuamente a pressão na porta A1 e é ativada automaticamente em condições de carga excessiva ou choque para proteger o circuito hidráulico. Com pressão piloto adequada, o carretel da válvula se abre completamente, permitindo a descarga suave e regulada da pressão do cilindro através da porta A e da válvula direcional principal. Este projeto garante regulação precisa do movimento, proteção confiável contra sobrecarga e maior segurança operacional para aplicações em equipamentos móveis pesados.
| Model | Pressão | Fluxo |
| Válvula de controle flangeada (esquerda/direita) EPV-12 | 350bar | 150L/min |
| Válvula de controle flangeada EPV-14 | 350bar | 250L/min |
| Válvula de controle flangeada EPV-16 | 350bar | 400L/min |
| Pressão máxima de operação | 350bar |
| Relação pilotada | 1:0 |
| Faixa de ajuste da pressão da válvula de equilíbrio | 5-14bar |
| Faixa de ajuste da pressão da válvula de alívio | 200-400bar |
| Faixa de temperatura do fluido | -20℃~120℃ |
| Faixa de temperatura ambiente | -40℃~80℃ |
| Fluido hidráulico | Óleo mineral geral(ISO 20~400mm²/s) |
Esta válvula de controle foi projetada para uso em lanças, braços, caçambas e acessórios de escavadeiras. Ela ajuda a manter cargas pesadas estáveis e evita movimentos repentinos e descontrolados durante a operação. Ela aumenta a segurança do equipamento e a estabilidade operacional em ambientes exigentes de construção e escavação:
- Impede que a lança caia inesperadamente devido à ruptura da linha hidráulica ou vazamento do carretel
- Protege o braço contra retração ou extensão repentina causada por forças externas ou vazamento hidráulico
- Impede que a caçamba incline acidentalmente devido a mudanças repentinas de carga ou falha na mangueira
- Protege os martelos hidráulicos e outros acessórios contra o afrouxamento ou rompimento da mangueira induzido por choque, evitando a extensão ou retração repentina da haste do pistão





















